Supervision of the implementation of additional purification and desalination facilities of Bandar Abbas city’s effluent by EPC method

In process

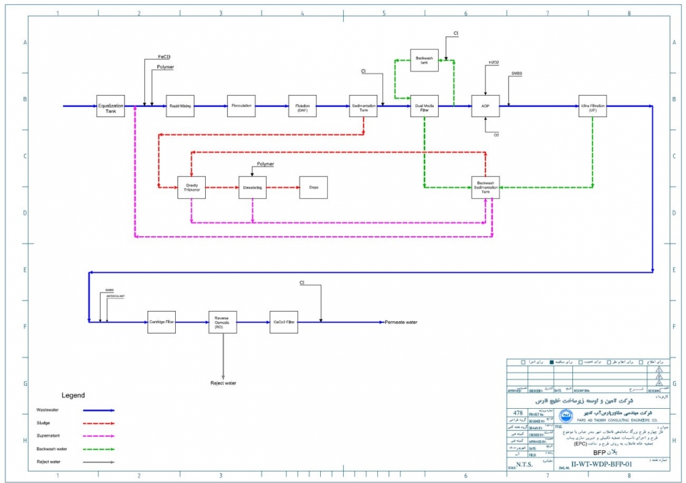
Technical Specifications

Sweetening of sewage treatment plant effluent with a production capacity of at least 85,000 m3/d by reverse osmosis method.
Providing sustainable water in the industries of West Hormozgan and improving the water resources of this area
The process consists of pre-treatment, sweetening and post-treatment units as well as sludge treatment unit

Project Details

project subject Water Facilities
Services Provided Subsidiary Services, Supervision
How to implement the project Design & Construction (EPC)
Employer Persian Gulf Infrastructure Supply and Development Company
start date : 2022
End date: -
Project location: Hormozgan

Location


Hormozgan